Dvojno škarjasto dvigalo Consul 0.35 SDE-T (3.500 kg) – Ultra nizko
Eno NAJDALJŠIH PLATFORM NA TRGU - do 2.415 mm.
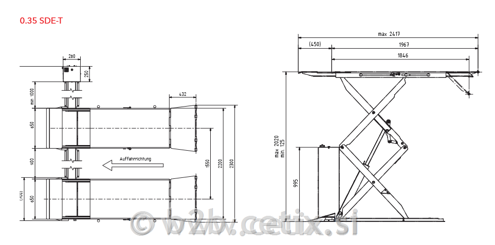
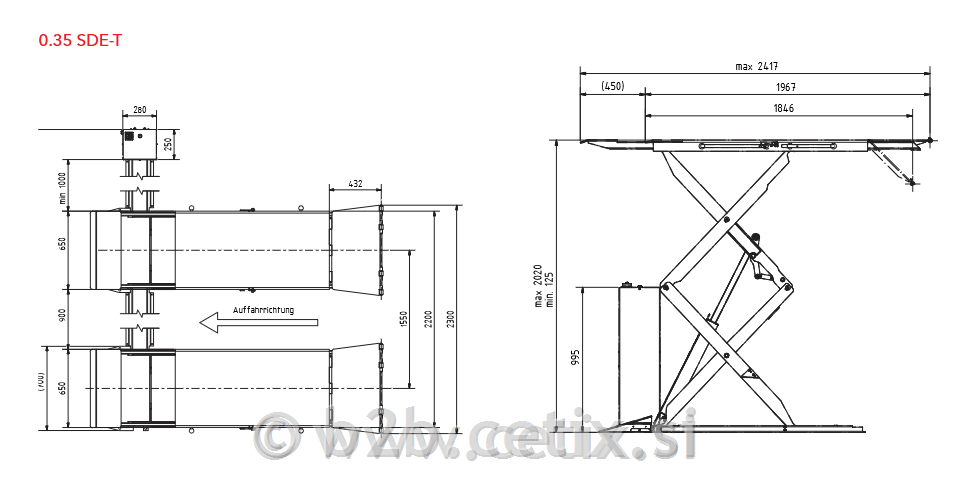
Pokriva vse. Z njim lahko dvignete dolga limuzinska vozila in podaljšane različice (npr. Audi A8L, Mercedes S-klasa, dolgi kombiji). Consul 0.35 SDE-T je vrhunsko dvojno škarjasto dvigalo, namenjeno vzdrževanju in popravilom osebnih vozil ter lažjih dostavnih vozil. Odlikuje ga izjemno nizka višina (le 125 mm), kar omogoča enostaven uvoz tudi za vozila z nizkim podvozjem. Dvigalo je zasnovano za dolgo življenjsko dobo in visoko stopnjo varnosti, primerno pa je tako za nadzemno montažo kot za vgradnjo v tla.
Pokriva vse. Z njim lahko dvignete dolga limuzinska vozila in podaljšane različice (npr. Audi A8L, Mercedes S-klasa, dolgi kombiji). Consul 0.35 SDE-T je vrhunsko dvojno škarjasto dvigalo, namenjeno vzdrževanju in popravilom osebnih vozil ter lažjih dostavnih vozil. Odlikuje ga izjemno nizka višina (le 125 mm), kar omogoča enostaven uvoz tudi za vozila z nizkim podvozjem. Dvigalo je zasnovano za dolgo življenjsko dobo in visoko stopnjo varnosti, primerno pa je tako za nadzemno montažo kot za vgradnjo v tla.
- Šifra artikla:
02897
- Enota:
kos
Zaloga: v prihodu
Opis izdelka
Glavne prednosti:
- Visoka nosilnost: Z zmogljivostjo 3.500 kg varno dvigne večino sodobnih vozil.
- Dvojni hidravlični sistem: Vsaka škarja vsebuje dva hidravlična cilindra, kar zagotavlja maksimalno varnost brez potrebe po dodatnem stisnjenem zraku.
- Fleksibilne platforme: Platforme so nastavljive po dolžini s pomočjo preklopnih krilc in drsnih podaljškov, kar omogoča optimalen oprijem različnih medosnih razdalj.
- Brez mehanskih povezav: Med obema platformama ni mehanske povezave, kar zagotavlja prost prehod pod vozilom in večjo svobodo pri delu.
- Vrhunska zaščita: Vroče cinkano osnovno podnožje in protizdrsne površine zagotavljajo odpornost na korozijo in varno uporabo.
Varnostne funkcije:
- Zvočni signal pri spuščanju (zaščita stopal).
- "Dead-man" krmiljenje (dvigalo deluje le ob pritisku na gumb).
- Sistem za spuščanje v sili v primeru izpada električne energije.
- Zaščita pred preobremenitvijo.
Tehnični podatki:
- Nosilnost: 3.500 kg
- Maksimalna višina dviga: cca. 2.000 mm
- Minimalna višina (povozna višina): cca. 125 mm
- Dolžina platform: nastavljiva od 1.935 mm do 2.415 mm
- Širina platform: 650 mm
- Čas dviganja/spuščanja: cca. 45 s
- Moč motorja: 2,2 kW
- Električni priključek: 400V / 50Hz
- Izdelano v: Nemčija (Made in Germany)
Vsebina paketa:
- Dvojno škarjasto dvigalo Consul 0.35 SDE-T.
- 4x podložne gume (višina 40 mm) za varno podlaganje vozil.
- Navodila za uporabo in montažo.
Povezava do VIDEO predstavitve.
